
Bu STM8S103F3P6 Bu 8-bitli mikrokontroller bo'lib, uning ta'sirchan funksionalligi va uzluksiz integratsiyasi uchun tanilgan.Ushbu ixcham qurilma sirt qurilishi (SMD) moslamalari bilan jihozlangan, zamonaviy texnologiyalar yordamida ishlab chiqarilgan rivojlangan yadro va parlamentallar bilan jihozlangan.STM8S103F3P6 soat chastotasi bilan, STM8S103F3p6, ma'lumotlarni qayta ishlash va ishlov berishni ta'minlaydi.Uning mustaqil soatlari va soatlardagi xavfsizlik tizimi bilan jihozlangan mustaqil tomosha qilish taymeri, qurilmaning uzilishlari va potentsial buzilishlarga qarshi turg'unlikni kafolatlaydi.
Uning stend xususiyatlaridan biri bu kod va ma'lumotlarga befarq saqlashni ta'minlaydigan flesh-xotiradir.2.95 V7 V dan 5,5 v gacha ishlaydigan ishlaydigan kuchlanish diapazonida bu mikrokontroller juda ko'p qirrali va turli xil dasturlarga moslashuvchan.Bundan tashqari, 85 ° C dan 85 ° C gacha bo'lgan haroratli haroratning harorat doirasini taklif etadi, uni turli muhit sharoitida joylashtirish uchun mos keladi.
• msp430g2353
• pic16lf1844t
• STM8S103F3P3


Kam quvvatni kam iste'mol qilish: u batareyaning hayotini samarali ravishda kengaytirish va energiyani tejashga imkon beradigan va energiyani tejashga imkon beradigan, uyqu rejimi, chuqur uyqu rejimi va o'chirish rejimiga ega.
Yuqori ishlashi: u yuqori samarali STM8 Core arxitekturasini qabul qiladi, bu esa ishlov berish tezligini oshirishga imkon beradi, bu esa qo'llanmaning ijro tezligini yaxshilaydi va bizning arizamiz uchun yanada samarali hisoblash imkoniyatlarini beradi.
Bir nechta aloqa interfeysi: u spi (seriyali periferik interfrace), I2C va UART.Ushbu interfeyslar orqali u osonlika aloqa va qo'shimcha funktsiyalar va dasturlarga erishish uchun tashqi qurilmalar bilan o'zaro aloqada bo'lishi mumkin.
Mo'l-ko'l pardalar: STM8S103F3p6 mikrokontroller ko'p periferik resurslar, shu jumladan 16kb flesh xotira va 1kb pinlar, taymerlar va UART kabi keng tarqalgan interfeyslar mavjud.Ushbu parazezlarning xilma-xilligi qurilmani turli xil dastur stsenariylariga moslashtiradi va turli sohalar va sanoat ehtiyojlarini qondirishi mumkin.Sanoat nazorati, aqlli uy yoki o'rnatilgan tizimlar, Stm8S103F3P6 qo'llab-quvvatlashi mumkin.

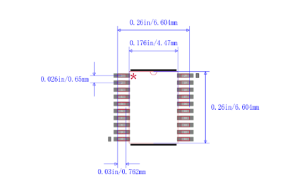
STM8S103F3P6 yupqa qisqartirilgan kichik konteyner paketiga (TsSSOP) va 20 ta pin mavjud.Tana va qo'rg'oshin kosmik standart zamonaviy paketlardan kichikroq.TsSopning odatiy xususiyati bu qadoqlangan chip atrofidagi pinlarning hosil bo'lishi, bu SMT texnologiyasidan foydalanib, PCBS-ni o'rnatish uchun mos keladigan.TSSOP to'plamidan foydalanganda parazitar parametrlar (joriy katta o'zgarishlar natijasida hosil bo'lgan kuchlanish buzilishi) kichikroq, shuning uchun u yuqori chastotali dasturlarga mos keladi.Ushbu to'plam ishlash uchun qulayroq va ishonchliligi yuqori.
TSSOP to'plamida quyidagi xususiyatlarga ega:
• Kichik PIN-oraliq: PIN-kodlar odatda 0,5 mm yoki 0,65mm.Tuman taxtalari dizayni bilan bir xil hudud va o'lchamdagi elektron taxtaga ko'proq qurilma qo'yish mumkin.
• Arizaning keng ko'lamli doirasi: u mikrokontroller, DSP, xotira chiplari va elektr ta'minoti chiplari kabi turli xil o'quv maydonchalariga qo'llanilishi mumkin.
• Yuqori pin hisoblash: pinlar soni 20 dan 64 atrofida, bu ma'lum chip integratsiya talablariga javob beradigan.
• Kichik paket hajmi: oddiy kichik belgilangan (shuning uchun) paketlar bilan solishtirganda, uning paket hajmi kichikroq, qalinligi ingichka, qalinligi juda oz va balandroq, yuqori zichlikdagi integral integral konchtural kontentgial materiallarni qadoqlash uchun yaroqlidir.
• Yuqori ishlashi: u sirt qurilishi texnologiyasini qabul qiladi, yaxshi o'tkazuvchanlik va korroziya qarshiligi va yuqori tezlikda, yuqori chastota, miniatsion, yuqori chastota, balandlik, miniatsion kabi maxsus talablarga javob berishi mumkin.
Agar boshqa vizomlar boshqacha ko'rsatilmagan bo'lsa, VSSga yuboriladi.
Minimal va maksimal qiymatlar atrof-muhit harorati, kuchlanish va chastotalarni qamrab olgan eng salbiy sharoitlarda eng kam va eng muhim qiymatlar kafolatlanadi.Ushbu kafolatlar qat'iy ishlab chiqarish testlari orqali o'rnatiladi, Ta = 25 ° C va TAYAX Atmobrum haroratida amalga oshiriladi (haroratning tanlangan diapazonida belgilangan).
Xarakterizatsiya natijalariga asoslangan qadriyatlar, dizayn simulyatsiyalari, / yoki yoki texnologik xususiyatlar stol izohlarida ko'rsatilgan va ishlab chiqarishni sinovdan o'tkazmagan.Xarajat haqida ma'lumotga kelsak, minimal va maksimal qiymatlar namunaviy baholash va standart og'ish uchun uch marta yoki minus uch baravarini yoki minus bilan o'rtacha qiymatni anglatadi.
Aks holda aniq ko'rsatilmagan bo'lsa, standart ma'lumotlar Ta = 25 ° C, VDD = 5 V. VDD bilan o'rnatiladi.
ADC qiymatlarining odatiy aniqligi to'liq harorat oralig'ida standart diffuziya lotidan namunaviy ko'rinishga ega bo'lishi orqali belgilanadi.Shu nuqtai nazardan, qurilmalarning 95% belgilangan qiymatda xato (o'rtacha ± 2 m).
Agar aniq ko'rsatilmagan bo'lsa, barcha standart grafiklar faqat dizayn ma'lumotnomalari sifatida mo'ljallangan va sinovdan o'tkazilmagan.
Belgilangan mutlaq maksimal reytinglardan oshib ketish qurilmaga doimiy zarar etkazishi mumkin.Ushbu reytinglar faqat qurilma dosh berishi mumkinligini ta'kidlamaydi va qurilma ushbu shartlarda to'g'ri ishlashiga nazar solmaydi.Qurilmaning ishonchliligiga maksimal baholash shartlari yoki uning yonida ta'sir qilish imkoniyati sezilarli darajada ta'sir qilishi mumkin.
Qurilmaning ariza berish shartlarini nazarda tutuvchi, Jedec Jed47 malaka standartiga amal qiladi, bu esa kengaytirilgan profillar so'rovda mavjud.
Boshlang'ich regulyatori uchun barqarorlikka erishish uchun Jeklar VCAP PIN-ga ulangan bo'lishi kerak.15-sonli seriyalar qatoriga kiritilgan bo'lishi kerak.
Joriy iste'mol quyidagi rasmda ko'rsatilganidek o'lchanadi.

Yugurish rejimida joriy iste'mol bilan umumiy iste'mol
MCU quyidagi shartlarga joylashtiriladi:
• Barcha tergonlar o'chirilgan (Soat periferik soatlar registrlari tomonidan to'xtatilgan) aniq aytilganmi, bundan mustasno.
• kirish rejimida VDD yoki VSS-da statik qiymati bilan kirish rejimida
VDD va TA uchun umumiy foydalanish shartlariga muvofiq.

STM8S103F3P6 20 ta pinni, uning pin nomlari va funktsiyalari quyidagicha:
PIN1 (pd4 / signal / ch1 / UART1 _ck): Port D4
PIN2 (PD5 / AIN5 / UART1 _TX): Port D5
PIN3 (PD6 / AIN6 / UART1 _RX): Port D6
Pin4 (NRST): Qayta tiklash
PIN5 (PA1 / OCSIN): A1 port
PIN6 (PA2 / OSCOUS): A2 port
Pin7 (VSS): raqamli zamin
PIN8 (VCAP): 1.8 V Regulyatorning kapacitori
Pin9 (VDD): Raqamli elektr ta'minoti
PIN10 (pa3 / Tim2_ Ch3 [SPI_ NSS]): A3 port
PIN11 (pb5 / i2c_ SDA [Tim1_ Bkin]): B5 porti
PIN12 (Pb4 / i2c_ scl): b4 port b4
Pin13 (PC3 / Tim1_ch3 [TLI1_ Ch1N]): Port C3
PIN14 (PC4 / CLK_CO / CH4 / AIN2 / [Tim1_ Ch2n]): Port C4
PIN15 (PC5 / SPI_SCK [Tim2_ Ch1]: Port C5
PIN16 (PC6 / Spi_MOSI [Tim1_ Ch1]): Port C6
PIN17 (PC7 / SPI_MISO [Tim1_ Ch2]: Port C7
PIN18 (PD1 / Swam): Port D1
PIN19 (PD2 / AIN3 / [Tim2_ Ch3]): Port D2
PIN20 (PD3 / AIN4 / CH2 / CH2 / ADC_ ETH): Port D3
Yuqoridagi rasmda ko'rsatilganidek, STM8S103F3p6 chipda 16 / o pinlar, masalan, gpio, periferik interfraes, ADC va boshqalar kabi turli xil maqsadlar uchun ishlatilishi mumkin.Tashqi signallarni o'qish yoki tashqi qurilmalarga signallarni yuborish uchun kirish qavmlari sifatida ishlatiladi.Bundan tashqari, har bir I / O PIN-kodni mustaqil ravishda tayinlash vektorini tayinlash uchun ular sodir bo'lganda, ular sodir bo'lganda, buzilishlarni aniqlashga yordam berish.
• Avtomatika tizimlari: Ushbu mikrokontroller elektr pardalari, foydalanishni boshqarish tizimlari, haroratni boshqarish va yoritish nazorati kabi avtomatika tizimlarida foydalanish mumkin.
• IOT (narsalardagi Internet) Ilova: Agar biz iot qurilmalarini rivojlantirishimiz kerak bo'lsa, unda turli xil sensorlar va aloqa modullarini ulash va boshqarish uchun iot tugunlari uchun boshqaruvchi sifatida ishlatilishi mumkin.
• Shaxsiy elektron qurilmalar: Raqamli kameralarda, MP3 va MP4 o'yinchilari, elektron o'yin pristavkalari va boshqalar mavjud.
Elektron uskunalar: turli xil elektron uskunalarni ishlab chiqish uchun ishlatiladi
, masalan, elektron o'yinchoqlar, masofadan boshqarish vositalari, mini kalkulyator va boshqalar kabi.
• Sanoat maydoni: PLC, Sanoat kontrastriklarida, jarayonlarni avtomatlashtirish va kema avtomatlashtirish uskunalari va boshqalarni avtomatlashtirish uskunalari va boshqalarni avtomatik boshqarish uskunalarida foydalanish.
• Ma'lumotlar olish va sensor interfeysi: Atrof-muhit sharoitlarini kuzatish va ma'lumotlarni to'plash yoki yorug'lik sensori, harorat sensorlari va namlik hissi kabi turli xil sensorlarni ulash uchun ishlatiladi.
• O'rnatilgan boshqaruv tizimi: O'rta jihozlar, sanoat uskunalari, elektr asboblari va boshqa kabi o'rnatilgan boshqaruv tizimlarini, shuningdek 8 bitli ishlov berish quvvatini loyihalash uchun ishlatiladi.
STM8S103F3p6 - bu stmikelektronika tomonidan ishlab chiqilgan mikrokontroller chip.Bu STM8 oilasi 8-bitli mikrokontrolchilarning mikrokontrolovchilari va turli xil o'rnatilgan tizimlar va IEH dasturlarida keng qo'llaniladi.
STM8S103F3p6 mikrokontroller birligi 640 bitli ROM, 10-bit 5 kanal ADC, 1kb RAM va 8KB dastur xotirasi bilan.
Biz STM8S103F3p3-ni MSP430g234T, STM8S103F3P3, STM8S103F3P3TR yoki STM8S103F3P6TR bilan almashtirishimiz mumkin.
Ha, STM8S103F3P6 kam quvvatli xususiyatlarga ega va energiya samaradorligi muhim bo'lgan batareya quvvatiga ega yoki kam quvvatli dasturlarda ishlatilishi mumkin.
STM8S103F3P6 ning ba'zi asosiy xususiyatlari, GPIO (Umumiy foydalanish / chiqish) pinlari, UART (Umumjahon asenkron qabul qiluvchisi / uzatuvchi) aloqa, I2C (Attifoq periferik interfeysi) aloqa, taymerlar, taymerlar va boshqalar.
BIZ HAQIMIZDA
Har safar mijozlarning qoniqishi.O'zaro ishonch va umumiy manfaatlar.
Lityum Con Cleer CR2354 ning texnik xususiyatlari
2024-08-02
Atmaega328-PU Mikrokontoler uchun keng qamrovli qo'llanma
2024-08-02
Elektron pochta: Info@ariat-tech.comHK TEL: +852 30501966QO'SHISH: Rm 2703 27F Ho King Comm Center 2-16,
Fa Yuen St MongKok Kovlon, Gonkong.